Китайские мопеды
Одноплатформенные модели
Сегодняшние реалии таковы, что отечественных моделей уже и не встретишь на дорогах общего пользования.
Времена меняются, и ослабевшее знамя свободы из рук отечественных «Карпат» и «Верховин» подхватили китайские мопеды серий:
Констатируем факт – продукция из Китая стала массовой и на отечественном рынке мотоциклов
- Альфа (Alfa);
- Дельта (DELTA);
- Дино (Dino);
- Ирбис (Irbis);
- Випер (VIPER);
- Зип Стар (Zip Star);
- Лидер (Leader);
- Мустанг (Musstang);
- Бриз (Briz);
- Динго (Dingo);
и другие аналогичные модели, оснащенные всем необходимым для поездок. Это все «соплатформенники» Дельты, выпускаемые китайским производителем Chongqing Wonjan motorcycle и компаниями, купившими у него лицензию.
Схожесть конструкции
Примечательно, что электропроводка мопеда Дельта аналогична с другими моделями, что облегчает обслуживание и увеличивает популярность транспортных средств.
Кажущаяся сложной на первый взгляд, схема электрических соединений достаточно традиционна
Видео в этой статье даст информацию относительно обслуживания схожих моделей. Для изделий с панелью приборов, содержащей тахометр, публикуем часть схемы, имеющей различия и в органах управления. В этом случае проводка на мопед Дельта дополнена несколькими элементами для подключения.
На фотографии представлена часть электрической схемы модели Дельта с тахометром
DC CDI коммутатор

Один из наиболее известных коммутаторов в силу несложности подсоединения. Самый обычный из них имеет только 4 контакта для таких проводов:
Не глядя на простоту, есть много коммутаторов данного вида. Есть с ограничителем максимальных оборотов и без, с переменой фаз опережения зажигания, с добавочными контактами для самых различных надобностей. В частности, к неким коммутаторам дозволительно “зацепить” боковую подставку, при открытии какой двигатель не раскрутится до оборотов, при каких включается сцепление. Делается это для того,чтоб застраховать водителя от опасных необдуманых поступков.
Как подключить фару на питбайке
Для понимая озвучим, что в природе существует, всего два варианта как установить свет на питбайк. Какой из двух вариантов подходит для вас и зависит исключительно от того, есть ли на генераторе соответствующая проводка для запитывания света или нет. И так
- Вариант 1. Из генератора выходит три провода, один из которых изолирован. Пример — это Zongshen 160, на генераторе этого мотоцикла обмотка отсутствует. Выход-ставим генератор с обмоткой для возможности подключения света.
- Вариант 2. Из генератора выходит 6 проводов и три из которых изолированы. Примером такого расклада будет Lifan 140. На этом генераторе есть обмотка для запитывания света. Установка света на питбайк с таким мотором займет 2-3 часа, если следовать инструкции.
Элементы цепи зажигания
Система зажигания является важным элементом в работе всего скутера. От нее зависит формирование искры и точно рассчитанный импульс, который поджигает топливо.
В состав схемы зажигания скутера входит множество компонентов, которые отвечают за определенную работу.
Модуль зажигания CDI
Первым в списке элементов стоит модуль CDI. Эта аббревиатура означает Capacitor Discharge Ignition — зажигание от разряда конденсатора.
Модуль коммутатора выполнен в неразборной коробке, поэтому при выходе его из строя он меняется на новый. К нему подключается 5 проводов, разведенных по всей схеме зажигания скутера.
Блок запрятан внутри скутера, подобраться к нему не просто. Пластиковые накладки придется полностью демонтировать.
Катушка зажигания
Назначение этого компонента – быстрый импульс высоковольтного напряжения по сигналу коммутатора. Оно поступает прямо на свечу, где преобразуется в искру.
Находится катушка с правой стороны скутера — китайца и крепится к его несущей конструкции. Распознать ее просто – она выполнена в виде пластиковой бочки. С обратной стороны находится подключенный толстый провод. Именно он переносит разряд по схеме от трансформатора на свечу.
Для защиты от попадания грязи и пыли катушка помещена в резиновый чехол.
Свеча зажигания
Ее функция проста – образовать искру и поджечь смесь внутри цилиндра. В скутере используется свеча типа А7ТС.
Ее положение скрыто от глаз, но опытные владельцы знают, где ее искать. Пройдя по высоковольтному проводу, доходим к блоку двигателя и колпачку свечи.
Резиновый уплотнитель защищает контакт от случайного электрического пробоя. Снимается небольшим усилием по направлению к себе. Сильно дергать за провод не стоит – колпачок может оторваться.
Выкручивается свеча торцовым ключом. После извлечения нужно осмотреть цвет контактов, их состояние. Показатель хорошей работы двигателя – коричневый оттенок без следов нагара. Отклонение от нормы свидетельствует о сбоях в работе карбюратора.
Стартер
Прибор служит для облегченного запуска двигателя скутера, без использования кик-педали. Стартер размещается в средней части мопеда, возле двигателя. Чтобы его открыть, необходимо снять декоративный пластик.
Подключается стартер через пусковое реле, которое находится на раме скутера.
Датчик и индикатор топлива
Датчик измеряет количество бензина в баке и сигнализирует о необходимости заправки. Он находится в самом баке и соединен тремя проводами.
Индикатор напрямую связан с датчиком. Оба питаются стабилизированным током с выпрямителя. Если наблюдаются проблемы в работе индикатора, следует проверить подключение к схеме.
Напряжение подается только при включенном замке зажигания.
Реле поворотов
Прерыватель служит для управления фонарями поворотов. При замыкании кнопки, реле выдает импульсы тока, частотой 1 Гц.
Находится блок под панелью приборов. Чтобы поменять реле нужно снять пластмассовую защиту.
Коммутация схемы не представляет сложности. При правом повороте, напряжение течет по синему проводу, который отвечает за соответствующие лампы. Левое положение переключателязамыкает серую шину на оранжевую.
Параллельно к магистралям схемы поворотов подключены дублирующие лампы на панели приборов. Они сигнализируют о включенных лампах с конкретной стороны скутера.
Звуковой сигнал
Назначение звукового клаксона понятно всем. На скутере он расположен возле реле-ограничителя.
Питается сигнал постоянным током через замок зажигания и активируется кнопкой на руле мопеда. Компонент является неразборным, поэтому при выходе из строя его меняют полностью.
Электрическая схема проводки китайского скутера 4т 125 и 150 cc
В этой публикации Вашему вниманию предложена схема электрооборудования китайского четырехтактого скутера Viper Storm 150 (Вайпер Шторм) и ему подобных. Также Вы можете скачать схему себе на компьютер, нажав на картинку.
Представленная электрическая схема проводки актуальна для таких китайских скутеров 4т 125 и 150 кубов:
- ABM — Sprinter 150, Vulcan 150
- Alfamoto — Bison 150, Fighter 150, Saigak 150
- Baotian — BT151 T-2, BT125Т-2/17
- ВМ Балтмоторс — Galaxy 125, Maxxy 125, Biwis125, Action 6
- CPI — Oliver Sport 125, Oliver City 125
- Corsa — Fratello 150
- Defiant — Lamberti DT125T, Velon DT125QTB, Maxo 150, Spike 150, Booster 150, Reflex 150, Reaper 150, Wudo 150
- Daelim — Trans 125, Delfino 125, S1 125, SL 125 History
- E-Moto
- Forsage — FT-150T-6, FT-150T-6C, Saturn 150, Neo 150, Ufo 150
- Fada — FD150QT-15
- Honling — Boomerang 125, Joker 125
- Hyosung — MC 150
- Irbis — Centrino 125, SLX 125, ZR 125, Nirvana 150
Руководство по ремонту электрооборудования китайских скутеров без тахометра
Современные китайские скутеры — это клоны, где абсолютно все, включая и электрооборудование имеет одинаковую компоновку и схему распределения. Возможно вы не найдете необходимую схему электрооборудования именно для вашей модели, однако, если присмотреться, схема от другого скутера может идеально совпадать с расположением электроприборов. Таким образом, можно подобрать необходимую инструкцию по ремонту электрооборудования китайского скутера.
Кликните на схему для увеличения
На схеме указаны все электроприборы, а также в цветном виде приведена вся электропроводка аналогично тому, как она определена непосредственно на скутере.
Схема двигатель скутера 150 кубов
Схема двигателя китайского производства на 150 кубовый 157QMJ скутер
Подробное описание и разборка двигателя для ремонта скутера в описании указаны все элементы
Двигателя скутера для кап ремонта и регулировки данного агрегата.


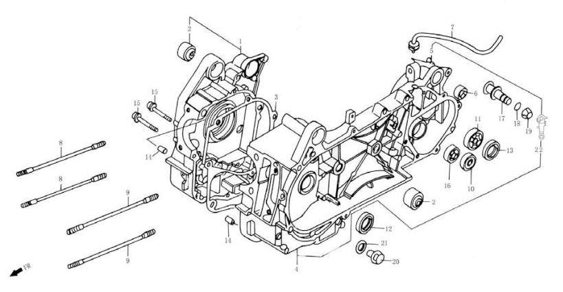
1 Половина картера правая в сборе2 Сайлентблок передний3 Прокладка картера4 Половина картера левая в сборе5 Втулка6 Сайлентблок задний7 Трубка8 Шпилька 8×187.59 Шпилька 8×195.510 Подшипник 620111Подшипник 600412 Манжета 19.8x30x513 Манжета 27x42x714 Штифт 8×1415 Болт М6х5016 Подшипник 600217 Вал тормоза18 Кольцо 7.5×1.519 Гайка М820 Болт сливного отверстия21 Шайба М1222 Рычаг тормоза

1 Пластина ограничительная2 Полушкив левый3 Втулка наружная4 Полушкив правый5 Ролик6 Болт М6х147 Пластина8 Кронштейн9 Шестерня приводная стартера10 Пружина11 Шестерня кикстартера12 Вал шестерни кикстартера13 Пружина вала14 Вал кик-стартера15 Втулка 12x16x1216 Втулка 14x18x1617 Пружина кикстартера18 Штифт 4.519 Ролик 3×8.520 Шайба 12 мм21 Шайба 14 мм22 Шайба 12.5 мм23 Втулка внутренняя24 Шайба 28 мм25 Гайка М1226 Шкив ведущий в сборе27 Кикстартер в сборе28 Шестерня кикстартера в сборе

1 Левая крышка двигателя2 Пластина3 Штифт 08×144 Зажим троса газа5 Зажим троса заднего тормоза6 Зажим трубки7 Прокладка крышки8 Винт 4×89 Болт М6х4010 Болт М6х6511 Болт М6х70

1 Шестерня электростартера2 Вал шестерни электростартера3 Шестерня муфты4 Корпус муфты5 Фланец муфты6 Пружина7 Колпачок8 Стартер9 Жгут электростартера10 Болт М5х811 Болт М6х1612 Болт М6х1213 Гайка М2214 Шайба 018x31x115 Штифт 05×616 Шпонка 15x14x417 Ролик 10×1018 Подшипник игольчатый 28x32x1719 Кольцо 24.4×3.120 Муфта

1 Крышка правая2 Прокладка крышки правой3 Крышка масляного фильтра4 Фильтр масляный5 Пружина фильтра6 Масляный щуп7 Зажим8 Манжета 19.8x30x59 Кольцо фильтра 030.810 Кольцо щупа 018×311 Штифт 08×1412 Болт М6х3213 Болт М6х9514 Болт М6×10015 Болт М6х11016 Болт М6х35

1 Головка цилиндра в сборе2 Блок коромысла3 Направляющая клапана впускного4 Направляющая клапана выпускного5 Прокладка головки цилиндра6 Прокладка7 Шайба прижимная8 Трубка8 Фиксатор10 Шайба11 Кольцо12 Кольцо 9.5×1.513 Шпилька М6х1814 Шпилька М6х5015 Гайка Мб16 Гайка М817 Штифт 010×1618 Болт М6×10019 Свеча зажигания

1 Крыльчатка2 Генератор в сборе3 Ротор4 Статор5 Шайба 0126 Болт М5х127 Гайка М128 Болт М6х169 Болт М6х22
Источник
Генератор
Владельцы 50сс, которые знакомы с конструкцией скутера, сразу поймут назначение данного прибора. Он вырабатывает переменный электрический ток, которым питается мопед при заведенном двигателе. Но вторым главным заданием является зарядка аккумулятора во время работы. То есть батарея обеспечивает работу приборов при заглушенном моторе, а дальше эту задачу берет генератор.
Подключение выполняется по следующему принципу. От генератора отходят несколько проводов. Минусовая шина прикреплена к раме скутера. На белом проводе присутствует переменное напряжение, которое сразу отправляется на выпрямление и стабилизацию.
В электросхеме желтый провод питает фонарь ближнего и дальнего света. Дополнительно в корпусе генератора размещен датчик Холла. Его задача – сформировать импульсы для управления искрообразованием. Электрически он не подсоединен к генератору, с ним связаны бело-зеленый и красно-черный провод. Датчик коммутируется с блоком CDI.
Настройка на средних и больших оборотах
Винт качества подготавливает пропорцию смеси на холостом ходу. Сбои в работе на высоких режимах устраняются другими способами.
После открытия дроссельной заслонки, в работу вступает топливный жиклер. Его задача заключается в подаче бензина в диффузор во время набора скорости скутером.
Неправильно подобранный жиклер ведет к отклонениям в составе топливной смеси. Во время набора мощности скутер может «душится», вплоть до полной остановки двигателя.
Правильный алгоритм настройки карбюратора при больших оборотах:
- очистка внутренних каналов от мусора;
- проверка уровня топлива в поплавковой камере;
- настройка хода запорного клапана (иглы);
- проверка соответствия номинала жиклера.
Признаком правильной работы 2т и 4т двигателя является резкое увеличение оборотов при открытии газа. Любые отклонения от стабильности разгона двигателя говорят о нарушении настроек.
Признаки отклонения приготовления смеси
Важным показателем качества горения топлива в цилиндрах является цвет свечи. Опытному механику достаточно взглянуть на ее состояние, чтобы понять какие настройки необходимо провести.
Различают два характерных цвета:
- Белая (сивая) свеча – бедная смесь, мопед перегревается и не выдает оптимальной мощности.
- Черная с нагаром – избыток горючего, его чрезмерный расход.
Поведение скутера с неправильной смесью топлива специфичное:
- ненормальная реакция на ручку газа;
- хлопки в глушителе;
- задымленность выхлопных газов;
- заметное снижение мощностных характеристик;
- внезапная остановка двигателя.
Нормальная свеча мопеда имеет коричневатый цвет. На ней не должно быть нагара, ее электроды чистые, без следов оплавления.





































