Чем маяк отличается от сигнализации на скутере?
Противоугонка — вещь хоть и непривычная, но в среде скутеристов пользующаяся определенной репутацией. При этом действует она, скорее, как «оберег», нежели как средство от угона. И в самом деле, сигнализация, установленная на скутере, не сможет задержать угонщика или обезвредить устройства взлома. А самое обидное, что вы можете больше никогда не увидеть свой скутер.
В этом отношении маяк куда более универсален. К его преимуществам перед сигнализационной системой относятся:
- Компактность и легкость, ведь внешне устройство мало чем отличается от стандартной банковской карты
- Безотказность и надежность. Именно благодаря такому сочетанию, единожды полностью заряженное устройство не нуждается в подзарядке в течение 9 месяцев
- Доступность и приемлемая цена. Вы тратитесь единожды на приобретение прибора, никакой абонентской платы не предусмотрено
- Установка маяка, в отличие от сигнализации на скутер, не требует никаких особых навыков — достаточно уметь пользоваться телефоном
- Возможность персональной настройки, предусмотренная производителем
dmn37 › Блог › Мотоцикл: Установка сигнализации Pandora DXL 4200
После покупки мотоцикла, решил поставить сигнализацию на мот. Для себя определил, что нужен GSM. Т.к. на парковке у работы связь по брелку не дотянет. И нужен автозапуск, чтобы немного прогревать двигатель перед поездкой. Выбор конечно не большой среди сигнализации на мотоцикл. Со старлайном на машине опыт был не очень хороший. Так что выбор пал на Пандору, самая недорогая с gsm — dxl 4200 (модель довольно устаревшая, и уже без гарантии на момент продажи, т.к. с момента изготовления прошло более 3.5 года. Такие вот гарантийные обязательства у них)
Для начала немного разбираем:

Инструкция на коробке:

Моя схема установки:

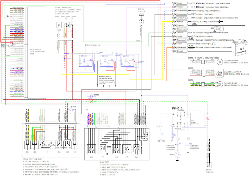
Для рисования схемы взял за основу схему электрооборудования Kawasaki ER6 2012г c ninjaclub.ru. На моем Kawasaki ER4N схема оборудования для 2009-2011г. В схемах есть небольшие отличия.
Далее, опишу точки подключения к проводке с фото:

Вход тахометра(белый провод) подключаем в голубому проводу в жгуте от ЭБУ к приборке.

Выход к указателю поворота(оранжевые провода) к зеленому и серому проводам. Кстати для электрооборудования 2009г. в жгуте идет 2 серых провода: один на правый поворот, другой с зажигания на ЭБУ. Я подцепил сначала на зажигание, потом обнаружил еще один серый провод — на поворотник.Вход педали тормоза (синий/белый провод) к синий/красному — «+» на стоп-сигнал. Тут же в жгуте для 2009, вход нейтрали (коричневый провод) к светло-зеленому проводу.
Самое сложное было это придумать схему для подключения входа сцепления с сохранением штатной блокировки двигателя при неубранной подножке(это когда воткнул передачу, не убрав подножку — двигатель заглохнет) В моей схеме теперь так: подножку не убрал, передачу воткнул и когда отпустишь сцепление — двигатель заглохнет. По схеме должно быть понятно, куда воткнуть диоды, где подключить землю и вход сцепления. Только приведу фото расположения точек подключения:


Остальное: реле зажигания, стартера подключается в районе релейного блока и блока предохранителей.
Еще справа внизу моей схемы можно заметить реле разрывающее провод на датчик подножки. Вообще мне эта идея очень понравилась, что-то сам додумал, что-то нашел на просторах интернета. Как работает эта блокировка: состоит она из маленького поляризованного реле (переключается при кратковременной подаче питания на соответствующую катушку). Блокировка включается при нажатии кнопки(без фиксации), при этом должна быть включена нейтраль. Реле разрывает провод идущий на датчик подножки. Тогда мозги мотоцикла будут думать, что опущена подножка, и при попытке поехать двигатель заглохнет. Очень удобно, когда мотоцикл выгнал на улицу прогреваться, а сам пока в гараже копаешься. Не надо переживать, что кто-нибудь запрыгнет и уедет. А чтобы снять блокировку нужно включить зажигание и по секретному месту(там где скрыто установлен геркон) провести небольшим магнитом. Геркон и магнит использовал из комплекта dxl4200.
Дальше устанавливаем герконовый концевик под сидение и сирену. Сирены не было в комплекте, поставил которые когда-то давно заказал с алиэкспресса рублей за 100. Две сирены, одна вот здесь:


Писклявые, но орут очень громко. От неожиданности и обосраться можно))
С установкой все, а вот с настройкой блока сигнализации из инструкции нихера не понятно было( Управление только одной кнопкой valet, в каком уровне программирования находишься… Методом тыка как-то да разобрался: прописал брелки, холостые обороты. Но автозапуск еще не проверял, не было реле.
Подключение мотосигнализации своими руками

Перед установкой необходимо проверить заряд АКБ и напряжение в сети мотоцикла на различных режимах. Далее проверка отсутствия электрического потока утечки.
Прозвонив провода, выясняем, какие цепи станут блокироваться. После чего отключаем массу АКБ и дополнительно герметизируем центральный блок при помощи изоленты.
Чтобы установить сигнализацию потребуется прикрутить ее на мотобайк и подсоединить к плюсу и минусу. Желательно спрятать таким образом, чтобы к ней не было доступа без открытия боковых крышек либо подъема сиденья. Делаем запитку сигнализации от силовых проводков.
Далее выполняем блокировки в труднодоступных зонах. Вы можете заблокировать произвольную цепь («зажигание» или бензонасос), без которых байк не сможет сойти с места.
Затем следует поставить автономную сирену. После чего подсоединяемся к поворотникам. Ставим антенну транспондера, и скрываем пейджер внизу обтекателя.
Все скрутки пропаиваются и защищаются трубкой термоусадки. Проводка обматывается в жгут высококачественной изолентой, аккуратно закрепляются жгуты.
После этого возвращаем минусовую клемму АКБ на место. При долгом хранении рекомендуется выключать минусовую клемму АКБ, иначе она быстро выйдет из строя. Установка сигнализации показана в качестве примера для данной статьи.
Монстр с весьма оригинальным дизайном Yamaha Bolt XV950 Star, разработка американских профи.
С характеристиками детского квадроцикла Honda Magna ATV 50, вы можете ознакомиться нас на сайте, это хорошее решения для начинающих водителей.
Установка сигнализации на скутер и GPS маяка: в чем отличия?
Чтобы установить противоугонку на транспорт, даже если это простая сигнализация на скутер, в большинстве случаев без помощи специалистов не обойтись. С маячком все просто: оборудовать им свой автомобиль или мотороллер можно самостоятельно. Для этого нужно выполнить простейшие действия:
- Приобрести СИМ-карту для спутникового прибора
- «Привязать» его к своему телефону с помощью специальной команды
- Настроить интервал для получения уведомлений
- Спрятать надежно маяк
Через обозначенные временные отрезки на ваш телефон будут приходить сообщения с указанием точных координат объекта. Данные можно будет просмотреть в ракурсе «фотографии из космоса». При получении «тревожного» сообщения прибор лучше перевести в особый режим, при котором сведения будут поступать через каждые 5 минут.
Установка сигнализации на скутер своими руками грамотно и эффективно
Кто-то может посчитать, что средства охраны для небольших мопедов являются излишеством
Практика показывает, что именно небольшие габариты и малый вес привлекают внимание похитителей. Компактное транспортное средство очень легко украсть и транспортировать
Выбираем подходящую сигнализацию
Современные охранные комплексы, даже для малогабаритной техники позволяют пользоваться такими практическими бонусами, как пульт дистанционного управления, запуск мотора на расстоянии и некоторыми другими преимуществами.
Охранные системы для мопедов и скутеров в своём разнообразии почти не уступают автомобильным. Установка сигнализации на скутер традиционно начинается с подбора подходящей модели. Выбирать «охранку» можно по разным критериям:
- производитель;
- цена;
- степень защиты;
- набор функций.
Торговые сети предлагают охранные системы от самых примитивных и недорогих китайского производства, до дорогостоящих, которые имеют приличный функционал, а также защищены от постороннего вмешательства.
Для того, чтобы не ошибиться в выборе, оцените свои финансовые возможности и рекомендации производителей, а также пообщайтесь на специализированных форумах. Лучший критерий для отбора – это отзывы владельцев, которые пользуются сигнализациями некоторое время. Советы продавцов и специалистов сервисных центров также лишними не будут.
При покупке необходимо проверить комплектность. Среднестатистический комплект сигнализации состоит из:
- центрального блока;
- звуковой сирены;
- датчика вибрации (набора датчиков);
- брелоков для управления на удалении;
- комплекта соединительных проводов с клеммными колодками.
Особое внимание следует уделить инструкции по установке и схеме соединения проводки, т.к. при их отсутствии подключение сигнализации на скутер будет достаточно проблематичным
Хотя принцип работы и порядок инсталляции системы в конструкцию мопеда разных моделей принципиально не отличается, лучше использовать заводскую инструкцию и рекомендации производителя.
Как установить сигнализацию на скутер – пошаговая инструкция
Шаг № 1: выбор места установки.
Для скутеров классической компоновки наиболее подходящим для монтажа центрального блока с датчиком и динамиком является ниша под лицевой пластиковой обшивкой. Во-первых, здесь достаточно свободного места. Установленное оборудование не будет мешать органам управления и другим узлам. Во-вторых, в этом месте проходит основной жгут электропроводов, к которому необходимо подключиться. Другой вариант установки – в нише под сиденьем. Добраться к этому месту взломщику будет сложнее, но для подключения придётся увеличить количество проводов.
Шаг № 2: установка сигнализации на мопед.
Производители охранных устройств обязательно предлагают свой способ крепления блока и датчиков. Как правило, для закрепления используются клеящие двусторонние элементы. Возможен вариант с использованием хомутов и кронштейнов. Способ закрепления зависит от конкретной модели сигнализации.
Шаг № 3: подключение.
Как поставить сигнализацию на скутер и не ошибиться в порядке подключения проводки?
Для обеспечения работы охранной системы необходимо два обязательных условия:
- непрерывная подача на центральный блок электропитания от аккумулятора;
- правильное подключение к системе зажигания.
Перед началом работы во избежание коротких замыканий зажигание выключается, аккумулятор отключается.
- Возьмите схему подключения и строго соблюдайте цветность проводов;
- Для соединения проводки сигнализации с электросетью мопеда в указанных на схеме местах оголите изоляцию и подсоедините концы проводов разъёма сигнализации;
- После проверки правильности подключения, места соединения пропаиваются и хорошо изолируются.
Самый важный совет по установке «охранки»
В разрешении проблемы, как установить сигнализацию на мопед, владельцы забывают о самом большом недостатке этих транспортных средств. Многие модели, особенно японских скутеров, позволяют без особых затруднений добраться до аккумулятора. Это даёт возможность угонщику быстро отключить питание и обесточить сигнализацию.
Специалисты настоятельно рекомендуют принять меры по защите аккумулятора. Для этого изготавливают защитный металлический короб, прокладывают кабели таким образом, чтобы их невозможно было бы перекусить слесарным инструментом.
Мотосигнализация с автозапуском, обратной связью
Первая представляет собой удобный комплекс, который позволяет сократить время на ожидание, пока двигатель прогреется перед поездкой. Особенно актуален этот вопрос в зимний период и межсезонье. Сигнализация на скутер с автозапуском делает использование ТС более комфортным, цена же ее абсолютно невысока. При этом обеспечивает все аспекты безопасности: ваш железный «конь» никуда не двинется до тех пор, пока вы не подойдете к нему вплотную с сервисной меткой.
Мотосигнализация с обратной связью – современное и удобное решение. Купить ее стоит для того, чтобы всегда знать о любых изменениях в состоянии транспортного средства. Комплектуется брелоком с информативным дисплеем, обладает дальностью оповещения до 2000 м, способно работать в условиях городских помех. Разновидность оборудования — GSM сигнализация для мотоцикла, использующая не брелок, а мобильный телефон пользователя для передачи сигнала. У таких систем понятие «дальности» отсутствует. Они поддерживают контакт сигналки с пользователем независимо от расстояния.
Лада 2110 ツɐʞdиҺツ (БЫВШАЯ) › Бортжурнал › Защита автомобиля от угона. Все об автомобильных сигнализациях, и их разновидностей. А так же, время угона автомобиля на сигнализации и механической защите.
Дорогие Драйфчане, после покупки нового автомобиля у счастливого обладателя возникает вопрос, как защитить автомобиль от угона. Первое что приходит на ум это установка сигнализации, а также различные механические блокираторы КПП и капота. Действительно ли автомобильная сигнализация способна защитить от угона и какая защита от угона лучше ?
Сначала о приятном: В настоящее время придумано огромное множество средств, которые способны в некоторой степени защитить авто от угона.О плохом: Устройства для взлома автомобиля тоже совершенствуются и идут в ногу со временем.Чаще всего автоугонщики пытаются угнать автомобиль в течении 15 минут, если за это время взломать защиту не получается, то машину оставляют.Поговорим о том, какие есть способы защиты от угона и сколько нужно времени для угона автомобиля:
Сигнализация, как средство защиты от угона.
Какую автосигнализацию выбрать ?Если рассматривать все функции современных сигнализации (сигнальные, сервисные и т.д.), то именно противоугонные функции будут развиты хуже всего. И действительно алгоритм кодирования управляющего сигнала является радиочастотой, то есть общедоступна. Устройства под названием “код-грабберы”, которые без проблем продается в Москве используются для перехвата сигнала сигнализации. Это означает, что злоумышленник может взломать сигнализацию за секунды. Поэтому большинство обзоров автосигнализаций (например ЭТОТ), демонстрируют нам именно тест сервисных функций (дальность связи брелка, список возможностей и т.д.), а не противоугонных.
Получается, что надежной сигнализации нет ?Самая надежная сигнализация 2012 считается та, которая имеет диалоговый алгоритм кодирования сигнала.Что это значит ? Брелок и центральный блок сигнализации в автомобиле обмениваются защифрованными динамическими кодами. А лучше, когда еще есть дополнительная защитная функция временной синхронизации (time code). Такие сигналы обладают высокой степенью шифрования и обеспечивают близкий к максимальному уровень защиты авто. Таким образом, эта сигнализация не взламывается код-граббером. К таким сигнализациям можно отнести некоторые модели Magic Systems, все Пандоры и последние версии StarLine (A91, B91 и т.д.).
Время на взлом сигнализации: от 10 сек до 8 минут.
Штатная защита от угона, иммобилайзеры.
К штатной охранной системе автомобиля относят иммобилайзеры. Это электронные устройства, которые чаще всего встроены в ключ зажигания и призваны противостоять несанкционированному запуску двигателя. Он блокирует силовые цепи, обесточивая самые важные узлы автомобиля. Более умные иммобилайзеры парализуют еще и сигналы, поступающие от блока управления автомобиля.
Как правило, надежный иммобилайзер устанавливается только на дорогих автомобилях, т.к. этот элемент требует больших затрат на производство. На автомобилях среднего класса этот заводской барьер остановит лишь мелких хулиганов.В замен дорогой сигнализации имеет смысл установить более продвинутый иммобилайзер с диалоговым кодированием.
Время на взлом иммобилайзера: от 1 минуты до 1 часа.
Охранно-поисковые системы или защита от угона GPS.
Кроме всего прочего на рынке можно встретить сигнализации с GPS, которые позволяют определить местоположение автомобиля и при необходимости заблокировать двигатель. Эта функция также подразумевает оплату абонентских расходов на обеспечение сотового трафика. Нельзя сказать, что это хорошая автосигнализация, т.к. и в этом случае у воров найдутся всевозможные глушители сигналов или шумогенераторы, которые сведут все Ваши шансы на ноль.
Блокираторы КПП, капота и руля.
Если Вы решили установить механические противоугонные устройства, тогда первым делом подумайте о сохранности подкапотного пространства. То есть установить блокировку капота. В большинстве случаев ключ к угону автомобиля находиться не в салоне, а как раз в моторном отсеке. Именно там располагаются различные устройства, которые делают угон автомобиля сложным (например, заменив “мозги” автомобиля можно воспользоваться другим иммобилайзером).
Лучшие мотосигнализации
4. StarLine MOTO V66

Довольно бюджетный вариант защиты для мотоцикла, который потребляет мало электроэнергии. Но это по заверениям изготовителя. На практике многие пользователи жалуются, что сигнализация способна разрядить АКБ мотоцикла буквально за пару недель. Из минусов можно отменить, что ее не так уж и сложно снять для угонщиков, техника склонна к зависанию. Но у сигнализации немало плюсов. Она компактная (9х1 см), что дает много вариантов установки, имеет внешний выход. Хорошим дополнением является возможность проверки заряда аккумулятора, не выходя из дома. Это устройство работает в одностороннем порядке, имеет световое и звуковое оповещение, блокирует двигатель. В отличие от предыдущих моделей бренда, у этой предусмотрен герметичный корпус для защиты от внешней среды, влаги. За сохранность всего, что есть в багажнике, отвечает герконовый датчик. Рабочих режимов два «в охране» и «в охране без датчика удара».
3. Pandora DX-42 MOTO

У этой сигнализации предусмотрен надежный корпус с защитой ото влаги, управление происходит при помощи брелока, который работает на частоте 868 МГц. Одним из преимуществ является малое потребление энергии (не более 8 мА), а если нет действий, то устройство и вовсе уходит в режим экономии до 4, а затем до 2 мА. Так что до 3 месяцев на одном заряде АКБ сигнализация проработает. К тому же в блок базы встроена резервная батарея, которая обеспечит работу охранного устройства еще на несколько часов, сообщит пользователю об этом. В комплекте есть сирена и два геркона на магнитах, миниатюрное реле для блокировки. Сирена отличается минимальным потреблением тока и хорошим звуковым давлением. Правда, GPS модуля в ней не предусмотрено. Но на охрану можно ставить совершенно бесшумно, устройство само диагностирует неисправности, независимых зон охраны предусмотрено 6. Достойное решение, чтобы спать спокойно.
2. StarLine V67 Moto

Более продвинутая модель противоугонного устройства, которая может похвастаться GPS, GSM и Bluetooth авторизацией. Ее основные функции реализованы через блокировочное реле для мотора, маяк для мониторинга. Авторизоваться пользователь может через метку или смартфон. Местонахождение после угона определяется через GPS, а при отсутствии данных со спутника по сотовой сети. За счет экономного энергопотребления всего в 3,5 мА автосигнализация проработает порядка 60-70 дней. Устройство можно эксплуатировать при температуре от -50 до +80 градусов. Датчики реагируют на удар, движение, наклон. Дальность оповещения составляет 1200 м. Сигнализация способна записывать все маршруты, по которым можно посчитать пробег мотоцикла. Единственное на что жалуются пользователи, так это на сложность настройки маяка по смс, да и вообще в настройки придется вникать серьезно.
1. Pandora DX 47 Smart Moto

Более дорогое, нежели предыдущая тройка, устройство, но и более продвинутое, надежное. В сигнализации предусмотрены встроенный GPS приемник, полноценное управление GSM и Bluetooth. Для отключения охраны требуется проходить авторизацию, если это не сделать, то попытка тронуться с места приведет к блокировке двигателя. Мобильное приложение — на высоте. Оно реализовано так, что можно полноценно контролировать мотоцикл на любом расстоянии, отслеживать его нахождение, открывая карту. Есть история поездок, контроль температуры байка, бортового напряжения и других параметров. Сигнализация потребляет минимум энергии, имеет автономную батарею питания на 16,3 мА. Сирена потребляет также минимум тока, но дает хорошее звуковое давление, помещена в герметичный корпус. Защита ото влаги предусмотрена и на корпусе сигнализации, устанавливать ее можно в любом месте. Из минусов стоит отметить, что разбираться придется с инструкцией английском языке.
Cистема диалогового протокола обмена
Наибольшей криптостойкостью и надёжностью, скорее всего, обладает система диалогового протокола обмена, осуществляющая свои функции между главным блоком и самим брелоком. Блок основной обладает асимметричными шифровальными алгоритмами и частотой в 2.4 гигагерц. Для работы системы необходимо функционирование связующего канала, работающего двусторонне, а именно при наличии передатчика с приёмником, что также действительно при работе основного модуля и брелока. После получения сигнала система определят его источник – «родной» брелок, а процесс сам происходит в диалоговом процессе.
Когда система отвечает на первоначальный сигнал, то отсылает запрос в систему брелока, выглядящего как псевдослучайное число. Сам запрос проходит обработку брелоком через особую последовательность, потом пересылается в обратном направлении. После этого мотоциклетная сигнализация производит обработку информации, присланной ей, через тот же алгоритм процессов путём сравнения полученных данных с данными, которые заключены в собственную систему. При успешном сравнении, команда приводится в исполнение, брелок же получает подтверждающую информацию. И тем не менее, физическую кражу брелока система диалогового кодирования предотвратить не сумеет.
Одним из самых распространённых видов мотосигнализаций, работающих с обратной связью, являются сигнализации типа GSM. Управление ими осуществляется с помощью брелока либо через телефон: отправляются специальные sms-команды или производится звонок, при помощи ввода команды путём тонального режима. Можно пользоваться сим-картой какого угодно оператора. При потере сигнала GSMв охранном режиме последующие восстановления будут оповещаться через смс-сообщения. Если возникает аварийная ситуация, то мотоциклетная сигнализация начнёт посылать сообщения, где будут указываться причины, по которым произошло срабатывание, да и хозяину будет производиться дозвон.
Устройство само по себе отличное, однако подводные камни всё же имеются: отсутствие стопроцентного распространения сотовой связи по территории, может возникнуть ситуация, когда водитель попадёт в глухой район, имея при себе заблокированный байк и севший смартфон, и ещё приходится плачивать мобильную связь. Теоретически у вас есть возможность активировать модуль Wifi, отчасти обойдя ограничения, однако подобных мотоциклетных сигнализаций мы, сказать честно, не встречали ещё. Тем не менее, приходит всё к тому, что совсем скоро будет доступна связка метки и смартфона, а использование обычных брелоков уйдет в прошлое.
Нюансы, касающиеся обеих схем
Если охранную систему подключить, как рассмотрено выше, можно получить работоспособный вариант, разве что без дистанционного запуска. Вообще, сигнализация на скутер может устанавливаться в разных вариантах. Например, если не нужна блокировка двигателя, просто не разрезайте провод и не подключайте «серый» и «розовый» шнур. Можно не подключать и сирену, а также поворотники скутера (на выбор владельца). Дальше все схемы, что были рассмотрены, будут только усложняться.
Снабдим мотор дистанционным запуском
«Синий» провод, идущий из разъема сигналки, может подавать напряжение на реле, включающее стартер. Разберемся, к чему подключать его.
Кнопка запуска стартера
От модуля кнопки «2», если он присутствует вообще, могут идти несколько проводов. Один из них подключен к штатному реле, и на нем при нажатии может появляться:
- + 12 Вольт. Тогда, соедините сам шнур с «синим» проводом сигналки (Т-образное подключение);
- Потенциал «массы». Если нужен автозапуск, придется купить реле, нормально разомкнутые контакты которого подключают между «массой» и найденным шнуром.
Устанавливая дополнительное реле, включайте обмотку между «синим» проводом и массой. При этом электронику сигналки надо защитить диодом.
Схема распайки дополнительного реле
В «главе 1» рассматривалось, как установить сигнализацию на скутер с 4-х и с 2-контактным зажиганием. Во втором случае, например, дистанционный запуск реализовать проще:
Автозапуск, зажигание с двумя контактами
Цифрами здесь обозначены точки подключения реле:
- Контакт 30;
- Контакт 87;
- Контакт 85 (катод диода);
- Контакт 86 (анод диода).
Как видите, новых точек подключения не добавится. Единственное, что придется протянуть шнур от «массы» к контакту «86».
К любой технике, выпущенной в Китае, последний абзац не относится. Просто, на скутерах Nexus, Racer, Tachilla и многих других используется 4-контактное зажигание.
Тонкости подключения к коммутатору
Сразу заметим: в этой главе говорится только о первой схеме, то есть о 4-контактном зажигании. Как вы помните, для подключения сигналки требуется разрывать один провод, идущий к коммутатору:
Электрическая схема системы зажигания
Шнур, о котором идет речь, отмечен стрелкой. Найти его в большинстве случаев несложно:
Модуль коммутатора зажигания
Здесь к коммутатору подключены 6 шнуров, и их маркировка является понятной.
Иногда, в то же время, модуль коммутатора представляет из себя миниатюрный блок, и бывает трудно даже найти его местоположение. Что верно для большинства моделей Racer и для многих других.
Электрооборудование скутера «Рэйсер Дракон»
Сложно догадаться, но модуль коммутатора здесь – это деталь под цифрой «5». А иногда, в сложных случаях, используется цифровой коммутатор, к которому подключен разъем с десятками шнуров. Такой пример у нас рассмотрен на видео. Желаем удачи.





































