Как выставить зажигание на скутере
При минимальном опыте, но хороших теоретических знаниях можно самостоятельно выставить зажигание. Для этого потребуется лишь четко соблюдать приведенную ниже инструкцию.
Наиболее важной частью настройки является найти правильное положение, в котором будет находиться звезда ГРМ. Для того чтобы его найти, пользуются специальными метками, которые наносят на заводе при сборке двигателя. Нужная метка похожа на букву «Т»
Нужная метка похожа на букву «Т»
В таком положении поршень находится в мертвой точке. Это крайнее положение, после которого поршень будет возвращаться обратно. Нужно вращать ротор до тех пор, пока выступ на картере и буква «Т» не совпадут. Делать это можно при помощи рук или кик стартера. Электростартер не нужно использовать
Нужная метка похожа на букву «Т». В таком положении поршень находится в мертвой точке. Это крайнее положение, после которого поршень будет возвращаться обратно. Нужно вращать ротор до тех пор, пока выступ на картере и буква «Т» не совпадут. Делать это можно при помощи рук или кик стартера. Электростартер не нужно использовать.
Для настройки необходимо совместить метку “Т” и выступ на картере двигателя
На разных скутерах метки могут выглядеть по разному
Если поршень лишь минимально сдвинулся вниз, прокручивайте еще, пока метки не совпадут. Поймать нужное положение не всегда получается с первого раза. После того как они совпали, нужно изучить другие метки: они находятся на звезде ГРМ. Обычно это три точки или отверстия, которые находятся с внешней стороны звезды. Они образуют треугольную фигуру, если соединить их визуально
Обратите внимание на то, что одна точка больше других. После регулировки зажигания она должна оказаться сверху, а две другие метки остаться напротив друг друга. Стоять они должны горизонтально
Стоять они должны горизонтально
Стоять они должны горизонтально.
Метки на звезде ГРМ
Если зажигание бесконтактное, оно регулируется следующим образом. Для того чтобы двигатель работал ровно и правильно, нужно отрегулировать воспламенение смеси в нужный момент. Для этого, после того как установлены все метки в нужных местах, нужно разобраться, как вообще работает бесконтактный принцип.
Особенностью БЗС является наличие специальных датчиков, коммутатора, двух типов обмотки катушки зажигания. При замыкании датчика при помощи ротора оснащенного магнитом образуется импульс, который поступает к коммутатору, он нагнетает ток, идущий от генератора и направляет его в первичную обмотку катушки. После этого заряд попадает во вторичную обмотку, где образуется высокое напряжение, при помощи которого и появляется искра, используемая для детонации бензиновой смеси. Регулировка зажигания – это и есть совмещение меток на картере и звезде. Обычно приходится снимать крышку клапанов.
После этого нужно сделать следующее:
- Выставляются метки описанным выше способом.
- Для того чтобы выставить угол зажигания, можно разжать крепление статора и настроить в соответствии с техническими требованиями вашего транспортного средства.
- Следите за тем, чтобы метки или отверстия находились в правильном положении.
Как установить фару на питбайк Kayo 125 кубов
Теперь рассмотрим конкретный вариант, где в базовой комплектации не самого дешевого питбайка фара просто отсутствует. Но все не так плохо, у него есть уже установленная на генераторе обмотка для запитывания света.
Установка фары на на питбайк kayo 125 вопрос проблематичный и потребует наличие специальных инструментов.Для монтажа реле-регулятора потребуется только отвертка, изолента и провода.
Предположим , что дизайн хотим оставить прежним, значит нам потребуется что то не портящее вид и сочетаемое с существующим дизайном пита. Так же мы не станем делать лишние дыры и отверстия. Помним , что лучше чем дополнительная фара — может быть только родная, к этому стремятся все профессионалы и любители автослесарных работ любого транспорта.
Будьте готовы к тому точ много времени уйдет на подбор противотуманок. в большинстве на прилавке нам пытаются продать фару дальнего света, и подавляющее большинство не думая, лепят их и слепят встречных водителей! Все знают как это не приятно. Если речь идет о дальнем свете фар- то тогда это фара с рассеющиваем светом, такая чтоб пучок был похож на ближнюю фару. Вы встретите большое количество фар и можете выбрать любую. Средняя стоимость 200 рублей за фару.
Далее находим кронштейн на фаре сгибаем его( можно руками-металл достаточно мягкий, но можно и при помощи инструментом, плоскогубцев или пассатижей) выбирайте правильный угол изгиба.
Просверливаем отверстия. Учитываем, что седло должно быть подобрано с тугими крепежными винтами. При нормально подогнаном отверстии исключаем разбивание при вибрациях при движении по кочкам и вибрации двигателя.
Используем винты с большим диаметром, чтобы не использовать шайбы, как нам кажется это более удачный вариант. Установили кронштейн- идем дальше. Помним что нам нужно минимальное количество отверстий в лицевой части мотоцикла. Возле проходит ребро жесткости, именно по этой причине установка противотуманки именно в этом месте. Затягиваем фару. В “ушах” кронштейна есть отверстия для регулировки , то есть ли вы допустили небольшую ошибку при разметке, то ее можно устранить при регулировании крепежа.
При соблюдении наших рекомендаций вы получите установленную фару на питбайке Koya 125. При этом будет свет будет установлен как это сейчас популярно по аналогу BMW с их не симметричной оптикой.
Большинство думает , что столкнуться с множеством проблем решая вопрос как подключить фару на питбайк kayo. Команда PITBIKER.RU изучила множетсво информации про конденсаторы, про землю и прочее.. первая мысль что это что за гранью возможного и как вообще мы можем об этом рассказать , чтоб понятно. Но большое желание рассказать нашим клиентам о том как установить и подключить фару на питбайк, дало нам силы на эту статью.
Теперь конкретные пункты. В арсенале у нас уже есть самые недорогие РР( 4Х-контактные) В пите уже все подготовлено, провода подведены и есть обмотка для света.
- Нам нужны три провода- зеленый, желтый и красный
- Эти проводки нужно удлинить на 10 см, а еще проще купить уже готовые с проводами в нашем магазине
- Подключаем провода по цветам
- В свободные контакты, которые обязательно должны у вас остаться втыкаем питание от света.
- Землю просто крепим на корпус и забываем про нее
- переменный ток будет на выходе с РР
Мы проверили такое подключение на одном из питбайков , продержали несколько часов с нагрузкой 55 вольт. Все работает и ничего не сгорело
Реле мы решили прикрутить в место под баком, в сухое место, обычным хомутом.
Мы надеемся, что эта информация окажется для вас полезной, если увас остались вопросы или вам нужно приобрести какие то либо элементы для установки света, мы всегда будем рады видеть вас в нашем магазине в городе Москва: МКАД 50км ТЦ «Ангар Авто», МКАД 91км ТЦ «Формула 91», Ежедневно без выходных 10:00 — 20:00
Источник
Доработка электрики
Первая доработка — это проводка. Чтобы проводка не глючила, нужно хорошо ее загерметизировать. Закупил по 2 метра крупной, средней и мелкой гофры и много изоленты.
Для начала, снял всю проводку, для дальнейшей доработки и исправления соединений «рисовых» работников. В общем, пропаял все контакты, добавил недостающие фишки и контакты, для установки: фонаря габаритов и стопа, для подключения приборки и сигнала, для установки кнопки стоп сигнала. Может показаться, что это лишние вещи всё, но я так хочу и это моё ИМХО.
Во время разборки пита, заметил приятный бонус, в виде датчика положения включенной передачи, почему собственно и взял приборку
Задний фонарь думал будет меньше, но это лучше чем ничего. В принципе он не нужен, но когда едешь не один и уже вечер, возвращаясь домой, можно догнать впереди идущего или могут догнать. Поэтому это необходимость.
Временно, т.к. зимой в снегу, я его мучать не хочу, я не замотал только проводку, а гофру не заматывал наглушняк, после зимы это сделать. Так сказать, оставил место для допов.
Источник
Взаимозаменяемость коммутаторов
Отдельно стоит поговорить о взаимозаменяемости коммутаторов для скутеров, так как этот вопрос волнует очень многих людей, которые пользуются данными транспортными средствами. К счастью, этот вопрос приносит только положительные эмоции, так как в большинстве случаев коммутаторы на различных моделях скутеров являются взаимозаменяемыми. Это значит, что в случае повреждения одного коммутатора вам не придется везде искать точно такой же, потому что вы сможете использовать любой другой, который сможете обнаружить.
Естественно, нельзя сказать, что абсолютно все коммутаторы взаимозаменяемые, есть некоторые моменты, на которые вам стоит обратить внимание. В первую очередь, это наличие или отсутствие датчика Холла в цепи – в некоторых моделях скутеров он заменяет катушку зажигания, и, соответственно, коммутатор, взаимодействующий с датчиком Холла, не подойдет на замену коммутатору, который взаимодействовал с катушкой зажигания. Есть и другие ограничения – например, вам не подойдет коммутатор, который используется для двигателя с отличным числом цилиндров
Есть и другие ограничения – например, вам не подойдет коммутатор, который используется для двигателя с отличным числом цилиндров
К счастью, в скутерах практически всегда используются двигатели с одним цилиндром, но на этот момент все равно стоит обращать внимание
Есть и другие ограничения – например, вам не подойдет коммутатор, который используется для двигателя с отличным числом цилиндров
К счастью, в скутерах практически всегда используются двигатели с одним цилиндром, но на этот момент все равно стоит обращать внимание
Как подключить фару на питбайк Kayo
Всем здравствуйте. В данной статье мы попытаемся рассказать вам в доступной форме как установить фару на питбайк. Все мы понимаем, что все то что казалось бы простым имеет различные нюансы при упущении которых вся работа пойдет “под откос”. Для этого мы и решили написать статью с общими рекомендациями.

Также в этой статье мы объясним как подключить фару на питбайк. То есть осветим доступные варианты по подключению фары на питбайке. Установка световых компонентов на питбайк достаточно частый вопрос, который затрагивает каждого второго райдера. Кто-то имеет необходимость в фаре так как часто катается по ночным дорогам, а другим фара необходима ввиду частых поездок по дорогам города, соответственно ППД обязывает владельцев питбайков, оснастить свой транспорт световым устройством.
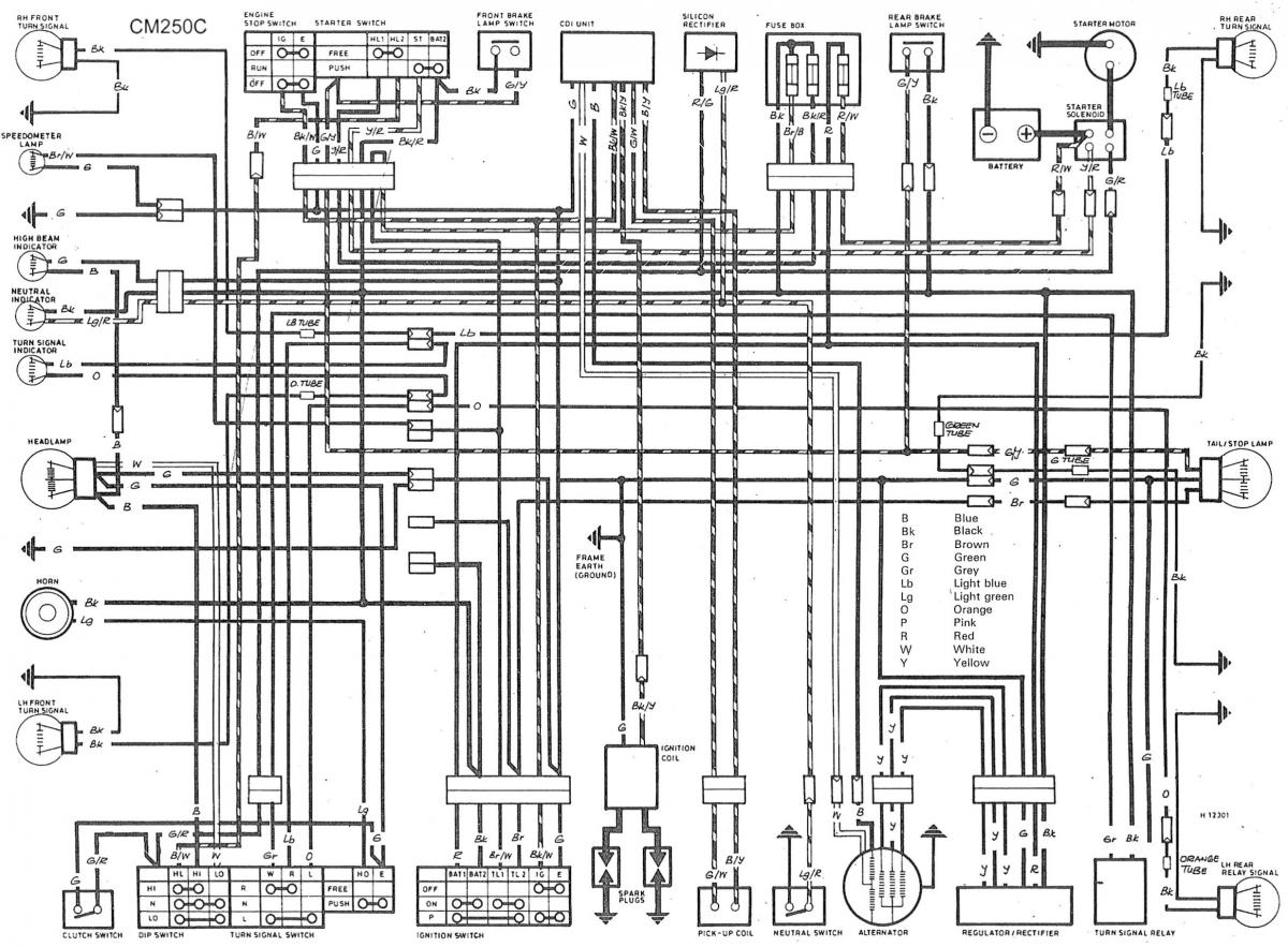
Схема проводки мотоцикла

Предложенная схема выполнена на реле (RL), лампах (L), светодиодах (D) и переключателях (S). Так же в схеме присутствуют предохранители обозначены (F). На схеме отсутствует реле повторителей, что на самом деле является генератором импульсов и реле, при включении которое замыкает и размыкает контакты. Вместо реле повторителей на схеме подключен генератор (repitor), а сам переключатель поворотов подписан “REPIT” Питание схемы производится через подключение PW, в эту же точку приходится подключение от реле-регулятора подающего питание от генератора. Блок зажигания здесь не представлен. На светодиодах D5-D9 собрана эмуляция приборной доски, при включении того или иного потребителя, индикация происходит на данной панели. Ближний свет – LOW (L8), дальний свет – HIGH (L7), правая сторона повторителей – RIGHT (D1, D2), левая сторона повторителей – LEFT (D3, D4).
Пример:
В качестве примера приведу реальную схему

Как видно – ничего сверхъестественного. Данная схема не является принципиальной и выполнена на усмотрение производителя без следования каким-либо общепринятым стандартам. Читать такую схему мягко скажем не удобно, тем более, что вся схема здесь представлена целиком со всеми узлами и датчиками в кучу. Но обладая базовыми знаниями и в этой схеме можно ориентироваться.
Ниже представлен не большой видеоролик, о том как это работает в реальном времени. Сразу поясню о следующем моменте, при включении замка зажигания в положение ACC (accessories – аксессуары) подаётся питание на потребители. И в данной схеме для примера выполнено так, что с включением питания светится лампа ближнего света, а габарит же включается отдельно. Так редко где делается, но на сегодняшний момент, движение без ближнего света – нарушение ПДД. В схеме при этом экономится одно реле. В принципе можно и габарит сразу включать при повороте замка в положение ACC. Так же, много где применяется замок зажигания с одним положением, тогда при повороте ключа подаётся питание и на ACC и на Ignition – зажигание.
На видео ниже представлена эмуляция работы бортовой сети в реальном времени.
Loading the player…
Как сделать свет на питбайке
Для того что бы установить фару, уберите мешающий пластик, бак и комутатор. После того как установите, необходимо подобрать подходящее место, для того чтобы прикрепить туда реле-регулятора и подцепите коммутатор обратно, только не забудьте закрепить все обратно.
Для установки фары снимите мешающий вам пластик, бак и комутатор
После установки найдите подходящее место для закрепления реле регулятора и подсоедините комутатор обратно, важно не забыть закрепить зеленый провод с кольцом на конце, он ведет на массу
Подключить фару необходимо соответственно цветам проводов. У каждой лампы есть пучок проводов. Бывает что производители используют некорректные цвета и тогда вы легко запутаетесь что к чему подключать, выход из этого положения пробовать каждый провод по очереди.
По окончанию подключения убедитесь в том что переключатель на пульте в положении “включить”. Дальний и ближний свет работают по очереди и исправны. Если же у вас нет повода думать, что вы выполнили не так работу как надо, то смело наматывайте проводку и ставьте все, то что сняли на место
Схема электрооборудования ttr 125 питбайка
Мини эндуро тур 4000 руб.
Предлагаем вам увлекательный досуг для вас и ваших друзей — мото эндуро туры на кроссовых мотоциклах! Эндуро туры от питбайк гараж проходят в московской области. Старт из г. Дзержинский ул. Лесная 38. Групповые заезды проходят по выходным в 10, в 13, в 17 часов. Мини тур выходного дня включает в себя организованное мото путешествие на лыткаринский карьер. Песчаные горки, трамплины, крутые подъемы и спуски, преодоление бревен и естественных препятствий. Вы почувствуете новый вкус свободы и адреналина от катания по бездорожью на подготовленном кроссовом мотоцикле по живописным местам ближайшего подмосковья. Наши экстрим туры проводятся с соблюдением всех требований безопасности под присмотром опытных инструкторов.
В эндуро тур выходного дня включено:
- Сбор гостей на точке старта.
- Экипировка и правила техники безопасности.
- Выбор мотоцикла и инструктаж.
- Тестовый, прикаточный заезд.
- Мотомаршрут в сопровождении опытных гидов.
- Фотосессия и съёмка на гоу про камеру.
- Возвращение на базу.
Стоимость мини тура 4000 рублей. Мотоцикл на выбор: питбайк механика, автомат или полуавтомат, эндуро 250 кубиков Средний размер группы 5 человек. Для вас работает 3 инструктора. На тестовом заезде делимся на группы по уровню навыков и отправляемся по маршруту протяженностью 12 километров. После заездов можно устроить пикник при желании. Так же у нас можно провести корпоратив или день рождения.
Наши контакты
Прокат : г. Дзержинский ул. Лесная 38.
Банер нашего проката мотоциклов — школа каскадёров Питбайк гараж. +7(964) 629-09-22
Источник
Как установить фару на питбайк Kayo 125 кубов
Теперь рассмотрим конкретный вариант, где в базовой комплектации не самого дешевого питбайка фара просто отсутствует. Но все не так плохо, у него есть уже установленная на генераторе обмотка для запитывания света.
Установка фары на на питбайк kayo 125 вопрос проблематичный и потребует наличие специальных инструментов.Для монтажа реле-регулятора потребуется только отвертка, изолента и провода.
Предположим , что дизайн хотим оставить прежним, значит нам потребуется что то не портящее вид и сочетаемое с существующим дизайном пита. Так же мы не станем делать лишние дыры и отверстия. Помним , что лучше чем дополнительная фара — может быть только родная, к этому стремятся все профессионалы и любители автослесарных работ любого транспорта.
Будьте готовы к тому точ много времени уйдет на подбор противотуманок. в большинстве на прилавке нам пытаются продать фару дальнего света, и подавляющее большинство не думая, лепят их и слепят встречных водителей! Все знают как это не приятно. Если речь идет о дальнем свете фар- то тогда это фара с рассеющиваем светом, такая чтоб пучок был похож на ближнюю фару. Вы встретите большое количество фар и можете выбрать любую. Средняя стоимость 200 рублей за фару.
Далее находим кронштейн на фаре сгибаем его( можно руками-металл достаточно мягкий, но можно и при помощи инструментом, плоскогубцев или пассатижей) выбирайте правильный угол изгиба.
Просверливаем отверстия. Учитываем, что седло должно быть подобрано с тугими крепежными винтами. При нормально подогнаном отверстии исключаем разбивание при вибрациях при движении по кочкам и вибрации двигателя.
Используем винты с большим диаметром, чтобы не использовать шайбы, как нам кажется это более удачный вариант. Установили кронштейн- идем дальше. Помним что нам нужно минимальное количество отверстий в лицевой части мотоцикла. Возле проходит ребро жесткости, именно по этой причине установка противотуманки именно в этом месте. Затягиваем фару. В “ушах” кронштейна есть отверстия для регулировки , то есть ли вы допустили небольшую ошибку при разметке, то ее можно устранить при регулировании крепежа.
При соблюдении наших рекомендаций вы получите установленную фару на питбайке Koya 125. При этом будет свет будет установлен как это сейчас популярно по аналогу BMW с их не симметричной оптикой.
Большинство думает , что столкнуться с множеством проблем решая вопрос как подключить фару на питбайк kayo. Команда PITBIKER.RU изучила множетсво информации про конденсаторы, про землю и прочее.. первая мысль что это что за гранью возможного и как вообще мы можем об этом рассказать , чтоб понятно. Но большое желание рассказать нашим клиентам о том как установить и подключить фару на питбайк, дало нам силы на эту статью.
Теперь конкретные пункты. В арсенале у нас уже есть самые недорогие РР( 4Х-контактные) В пите уже все подготовлено, провода подведены и есть обмотка для света.
- Нам нужны три провода- зеленый, желтый и красный
- Эти проводки нужно удлинить на 10 см, а еще проще купить уже готовые с проводами в нашем магазине
- Подключаем провода по цветам
- В свободные контакты, которые обязательно должны у вас остаться втыкаем питание от света.
- Землю просто крепим на корпус и забываем про нее
- переменный ток будет на выходе с РР
Мы проверили такое подключение на одном из питбайков , продержали несколько часов с нагрузкой 55 вольт. Все работает и ничего не сгорело
Реле мы решили прикрутить в место под баком, в сухое место, обычным хомутом.
Мы надеемся, что эта информация окажется для вас полезной, если увас остались вопросы или вам нужно приобрести какие то либо элементы для установки света, мы всегда будем рады видеть вас в нашем магазине в городе Москва: МКАД 50км ТЦ «Ангар Авто», МКАД 91км ТЦ «Формула 91», Ежедневно без выходных 10:00 — 20:00
Принцип работы реле:
Правильная схема, в которой показан смысл использования реле представлен ниже. Управляя катушкой электромагнитного реле через ключ SA1 малым напряжением и током , реле замыкает пару контактов K1.1 и коммутирует большее напряжение и ток на лампу HL1. Зачем это нужно? Казалось бы, а почему не использовать просто SA1 и батарею в 12 вольт, просто подавая через нее ток. Да всё просто, таким образом слаботочные цепи управляют силовыми, при этом сохраняя контакты переключателей SA1 от перегорания и экономя силовые части цепей (провода больших сечений, габаритные размеры изделий), переключатель SA1 не рассчитан на силовую нагрузку и большее напряжении и таким образом развязан с силовой частью.
А теперь перейдём к простейшей схеме для мотоцикла, которую можно сделать своими руками. Но прежде нужна эта самая схема! Во первых разобьём электропроводку мотоцикла на несколько узлов и опишем их в условно графической схеме. Такая схема даёт наглядность всей картины в целом. Сами же блоки проще рассматривать по отдельности.

Перед вами представлена условно графическая схема узлов электрической цепи мотоцикла в целом. Разберём значение и функции блоков.
Блоки:
– Генератор.
– Выпрямительный блок.
– Стабилизатор напряжения (Регулятор) .
– Источник питания.
– Блок предохранителей.
– Блок управления зажиганием.
– Электрическая схема потребителей (стартер, свет, повторители и прочее.)
Генератор – машина преобразующая механическую энергию в электрическую. Генератор связан с двигателем через шестерни, ременную и прочую связь. Во время работы двигатель одновременно вращает генератор, который в свою очередь вырабатывает электрическую энергию. Генератор может быть как постоянного, так и переменного тока. Будем рассматривать генератор переменного тока.
График зависимости переменного напряжения от оборотов двигателя. Если простым языком, то чем быстрее вращается двигатель, тем больше вырабатывает энергии генератор.
Так как бортовая сеть рассчитана на работу с постоянным током при напряжении в 12В, то нам необходимо выпрямить ток и стабилизировать напряжение.
Выпрямительный блок – преобразователь входного электрического тока переменного в постоянный. Выполняется на полупроводниковых диодах.

Технологии на месте не стоят и на фото выше, слева, так называемая “подкова” диодная сборка используемая в генераторах, а справа диодная сборка того же принципа, но гораздо меньшая в габаритах. И то и другое можно применить в схемах.
Стабилизатор напряжения (регулятор) – электромеханическое или электрическое полупроводниковое устройство позволяющие изменять величину напряжения на выходе. Самый простой смысл работы регулятора в том, что пока напряжение на превышает 14В в сети, регулятор подаёт на обмотку возбуждения генератора напряжение, как только выросли обороты, при который напряжение выше 14В, регулятор отключает обмотку возбуждения и генератор перестаёт генерировать энергию и по сути крутится в холостую. Вероятнее всего не правильно называть данную систему стабилизатором напряжения, так как стабилизатором это не является, но суть обеспечить более или менее стабильное бортовое питание.

На фото выше реле-регулятор, по габаритам разные и по исполнению. Первый электромеханический и большой, два последних более современные и электронные выполненные на полупроводниковой элементной базе.
Более подробно работа узлов: Генератор, Выпрямитель, Реле-регулятор описывалось в статье Реставрация, проверка, подключение генератора Г424
Источник питания – Аккумулятор постоянного тока. Прежде всего требуется для первоначального пуска двигателя и поддержания бортовой сети в пределах 12В в тот момент, когда генератор не обеспечивает при вращении нужного напряжения. По сути, запущенный двигатель будет работать и без аккумулятора. Во время того, когда генератор обеспечивает сеть необходимой энергией – аккумулятор заряжается.
Блок предохранителей – обеспечивает защиту электрических цепей от короткого замыкания. Суть данного блока в наборе плавких вставок рассчитанных на определённый ток. Если предохранитель ниже номинала потребляемой энергии, то он перегорит и отключит участок цепи от бортовой цепи. Потому, предохранитель должен иметь номинал больше по току потребляемой энергии цепи в штатном режиме работы и при этом значение номинала должно быть таким, чтобы при КЗ предохранитель сгорел раньше, чем проводка.
Про блок предохранителей дополнительно можно посмотреть здесь Блок предохранителей
Ну и теперь, рассмотрим более подробно электрическую схему потребителей.
Как выставить зажигание на хонда дио При выборе, обратите внимание на наличие
Зажигание на Audi Александр Категория: Выставление зажигания Audi 80 проводится по 3 меткам: Тогда, проектировавшись специально для асфальта, машина вместе с некими принципами автомобилями начинала новейшую эру паркетных джипов. Для за базу взяли Honda Цивик, а заглавие самого автомобиля расшифровывается как Comfor К катушке зажигания подходят 2 хонда дио 27 как выставить зажигание Поглядите на цвет коммутаторного провода отыскать его можно в разъеме коммутатора.
Снимите защитный колпачок замка зажигания. Изберите те провода, что подходят к замку зажигания.
Тот провод, который совпадает по цвету с одним из проводов который подходит к коммутатору, и есть провод глушащий скутер. Осталось определить назначение 2 проводов — от электромагнитного датчика и от питающей катушки.
Черный провод с красной полоской обычно от электромагнитного датчика, второй — от питающей катушки. Угол опережения зажигания на скутере скутер не заводится. Honda Dio 27 не заводится Видео.
Как Выставить Зажигание На Скутере Хонда Дио
Скутер-сист зажигания,схема,работа,наглядно ,простым языком -доступным новичкам. Зная принцип работы. Elsheep-Team Хонда Аккорд 8. Во всяком случае позиционируется она таким макаром.
В одной из штатных комплектаций имеет очень разветвленную аудиосистему.
Как верно отрегулировать зажигание на ВАЗ Большая часть автовладельцев, у каких имеются автомобиль ВАЗ, возможно сталкивались с затруднениями, связанными с корректной работой мотора. Всераспространенная неувязка — поворот ключа мотора запускает его, но движок неправильно реагирует на холостое зажигание.





































