Разборка двигателя 157qmj 150 кубов
Как Вы помните я поставил себе за цель разобрать поршневую 157qmj, не снимая сам силовой агрегат со скутера.
Итак, снимаем коврик, сидение, багажник (унитаз), пластик около сидения, а затем выхлопную трубу, оставив на месте глушитель.
Теперь снимаем воздушный фильтр в сборе и карбюратором. К слову, фильтр мы тоже заменим, поскольку его пропускная способность будет недостаточной для кубатуры 170cc. Вместо него мы установим красный 38 мм UniFilter.

Снять 157 QMJ карбюратор легко, просто освободить топливные шланги от зажимов, отсоединить трос дроссельной заслонки и провода пускового обогатителя. Стоковый карбюратор с 24 мм впускным патрубком мы также заменяем.
Двигатель QMJ 157 закрыт пластиковыми кожухами — это позволяет дополнительно циркулировать охлаждающему потоку воздуха и защищать мотор от грязи. Отвинтив несколько шурупов легко снимаем пластмассу. Советую кинуть на пол старые тряпки, которые бы впитывали капли масла с двигателя, а также не позволяли подниматься пыли. Рабочее место должно быть чистым!
Крышку с резиновой прокладкой головки цилиндра 157 qmj gy6 мы снимаем, открутив четыре 8 мм болта. Шланг сапуна, который первоначально был подсоединен к воздушному фильтру, теперь мы подсоединим к новому маслоуловителю (об этом позже).

Отворачиваем четыре гайки (12 мм) крепления постели распредвала, ГБЦ и цилиндра. Аккуратно снимаем верхнюю часть постели распределительного вала, удерживая его.

Перед тем, как удалить распредвал, откручиваем крышечку регулировки натяжителя цепи и ослабляем сам натяжитель (маленькой плоской отверткой за часовой стрелкой) и снимаем цепь ГРМ со звезды распредвала.

Откручиваем два болта и снимаем натяжитель.

Для того, чтобы снять ГБЦ 157QMJ нужно отвинтить еще два 8 мм болта
Осторожно удаляем ГБЦ

Снимаем цилиндр со шпилек. Металлическая прокладка повторному использованию не подлежит.

Тоненькими плоскогубцами удаляем стопорное кольцо пальца поршня и разделяем поршень и шатун.
Из-за большей высоты 4 х клапанной головки блока цилиндров, нужно заменить и 4 шпильки, на которых скручиваются ЦПГ и ГБЦ.
Как правильно поставить шпильки цилиндра 157qmj? Оригинальные шпильки выкручиваются с помощью двух гаек, закрученных на шпильку. Откручивать надо нижнюю гайку против часовой стрелки. Завинчивая новые шпильки, смажьте резьбу синим герметиком. Два болта с правой стороны мотора, которые крепят цилиндр, заменять не обязательно.
Зазоры
Перед вами камера сгорания двигателя обычного китайского скутера.

Во время работы двигателя клапана нагреваются до значительных величин. И чтобы компенсировать коэффициент расширения клапана и всего ГРМ в целом между клапаном и механизмом его открывания существует небольшой зазор. Именуемый тепловым.
В нашем случае зазор, который мы будем регулировать находится между клапаном и регулировочным болтом коромысла. Подкручивая регулировочный болт в нужных пределах мы сможем регулировать тепловой зазор на столько настолько это нам нужно.
Но не стоит забывать, что зазор не должен быть очень большим — иначе механизм будет работать с ударной нагрузкой и быстро выйдет из строя. И очень маленьким: клапан нагреется, упрется в коромысло и прогорит.

Подготовка
Для того, чтобы отработанное масло стекло с двигателя все без остатка — двигатель перед заменой масла следует хорошенько прогреть. Или, что будет лучше всего — приступать к замене масла сразу после поездки на 5-10 км.
Второй подготовительный этап заключается в том, что нам нужно заранее подготовить ровную площадку на которой в максимально ровном положении следует установить скутер и подготовке подходящей емкости для отработанного масла.
Инструменты которыми вы будите пользоваться также играют не последнею роль. Не скупитесь — купите новую головку с воротком. Вам их понадобится всего две штуки: на 17 и 10. Те кто этим моментом пренебрегает — дорого потом платит, причем из своего кармана.
Регулируем клапана (4т двигатели).
Как уже было сказано ранее, перед форсировкой двигатель необходимо обслужить. В число работ, которые помогут улучшить динамику, входит регулировка клапанов. Процедура подходит для тюнинга китайского скутера 4т и других 4-х тактных моторов. Для малокубатурной техники рекомендуют проводить такую настройку не реже, чем раз в 3, а лучше раз в 2 тысячи км. Также необходимо проводить регулировку после манипуляций с ЦПГ. Прежде чем приступить к работе, необходимо убедиться, что движок полностью остыл и под рукой имеется набор из ключей (8,9) и щупы на 0.05 для впускного и 0.07 мм для выпускного клапана. Добраться до регулировочных гаек можно сняв сначала клапанную крышку. Когда откроется доступ к клапанам, поршень устанавливается в верхней мертвой точке. Следом в зазор впускного клапана устанавливается щуп и в зависимости от текущего положения, производится подгонка.
Чтобы увеличить или уменьшить зазор, необходимо ослабить контровую гайку (удерживая регулировочный болт), повернуть болт регулировки и удерживая его притянуть контровую гайку обратно. Таким образом, добиваемся зазора, когда щуп проходит в него с небольшим усилием. После настройки сделайте полный оборот коленчатого вала и убедитесь в точности настройки.
5 Регулировка зазоров в клапанах
Специалисты по тюнингу рекомендуют проводить процедуру регулировки зазоров клапанов на мопедах своими руками каждые 2000–3000 километров пробега. Это позволит улучшить динамику двигателя и избежать неприятного “цокота”, который идет от ГЦ во время движения из-за неправильной регулировки. Чаще всего настройка делается на новых скутерах сразу же после прохождения обкатки двигателя. Из-за перетянутых клапанов возможны сбои при работе на высоких оборотах и скорости выше 80 километров в час, особенно для скутеров на 150 кубиков.
Регулировка зазоров клапанов на скутере
Работа по настройке своими руками проводится на полностью остывшем двигателе с использованием отвертки и ключей на 8,9. Первым делом снимается пластиковая крышка головки цилиндра. Далее откручиваются два винта, которые держат клапанную крышку. Как только защита снята, необходимо установить поршень в предельно верхнее положение, для этого может потребоваться демонтаж защиты вентилятора генератора. Далее проверяются зазоры клапанов, для этого используется щуп 0,5–0,7 миллиметров. В первую очередь проверяется самый верхний впускной клапан, при правильной настройке щуп будет входить в отверстие между клапаном и регулировочным болтом с небольшим трудом.
Щуп для проверки зазоров клапанов на скутере
Чтобы изменить зазор, необходимо немного ослабить положение контргайки, после чего нужно вращать регулировочный болт против часовой стрелки и, не убирая усилия, снова затянуть гайку крепления. После этого зазор изменится, а определить степень изменения можно с помощью того же щупа на 0,5 миллиметров. Те же действия нужно повторить с нижним клапаном и установить защиту генератора и пластиковый кожух ГЦ в обратном порядке.
Тюнинг скутера – разгоняем мопед на полную мощность
Скутеры в последние годы приобретают все большую популярность у любителей двухколесной техники. Тюнинг в данном случае можно разделить на два этапа: доработка двигателя для повышения его мощности и настройка элементов трансмиссии под изменившиеся параметры мотора. Некоторые владельцы проводят и внешний тюнинг скутера, для чего приобретают оригинальные аксессуары. Классификация моторов и варианты модернизации На сегодняшний день скутеры выпускаются с несколькими типами моторов. Самый популярный вариант малокубового движка – китайская модель 139qmb c рабочим объемом 49,6 кубиков. Далее следует модель 153QM объемом 150 кубов и 157QMJ на 150 см3. Таким образом, в пределах каждого из типов китайских моторов основные детали двигателя в принципе взаимозаменяемы. Это означает, что поиск деталей становится несложной задачей.
Раньше наиболее популярными комплектами для тюнинга скутеров были «киты» от итальянских производителей Pallinni, Mallossi или Metrakit. Данные тюнинг-наборы, как правило, включают в себя огромный комплекс деталей, аксессуары и оборудование для проведения тюнинга скутеров от известных европейских, японских и китайских производителей. Однако в случае с мопедами китайского производства, тюнинг с помощью европейских «китов» слишком дорог для рядовых мотолюбителей, а китайских скутеров на наших дорогах с каждым годом становится все больше и больше.
Сегодня тюнинг скутера в основном сводится к увеличению кубатуры мотора. Больше всего тюнингуются двигатели 139qmb объемом до 50 кубиков. Например, вместо штатного поршня и цилиндра на 39 миллиметров устанавливаются более широкие аналоги с диаметром поршня от 44 до 50 миллиметров. В отличие от моделей европейского и японского производства тюнинг «китайцев» в основном сводится к увеличению кубатуры, как следствие повышению мощности двигателя и необходимости соответствующей настройки вариатора и других деталей. И если с 44-миллиметровым поршнем можно оставить заводскую головку блока цилиндров, то при замене 39-ти на 52-миллиметровый вариант придется уже менять и ГБЦ и производить перекалибровку карбюратора. Таким образом, самый простой способ увеличения кубатуры для двигателя 139qmb – это установка 44 миллиметрового поршня, при этом нужно будет приобретать и дополнительные прокладки. Что касается более кубатурных двигателей китайского производства (157QMJ и 153QM на 150 см3), то они построены на идентичной платформе и внешне отличаются от модели 139qmb лишь большей длиной.
Снятие «заглушки» ограничителя скорости Первое, что делают специалисты и любители тюнинга на скутерах различного производства – снимают «душилку» ограничения скорости, которая препятствует использованию ресурса мотора по максимуму. Как правило, скутер может быть заглушен несколькими способами: либо это установленная заглушка в вариаторе, либо электронный ограничитель коммутатора, либо специальная ограничительная шайба в карбюраторе скутера.
В первом случае ограничитель представляет собой пластину, которая прикручена к вариатору со стороны грузиков. За счет установки этой пластины ремень радиатора не может выйти на максимальный радиус во время движения. Чтобы удалить заглушку, необходимо частично разобрать вариатор, снять ремень и шестерню, аккуратно вынуть ограничительное кольцо и собрать все детали в обратной последовательности.
На некоторых моделях возможно отсутствие кольца, тогда целесообразно разобрать внутреннюю «щеку» вариатора и поискать пластину там. Иногда ограничителем в вариаторе выступает сама втулка, которая имеет небольшой выступ. Снять его, соответственно, не получится, придется либо растачивать деталь у знакомого токаря или в сервисе, либо приобретать новую оригинальную втулку.
Если ограничитель установлен в карбюраторе, то выглядит он как клапан, который в случае повышения давления перекрывает поступление топливной смеси в камеру смешивания с воздухом. На современных японских скутерах «душилка» устанавливается в двух местах глушителя. Чтобы найти заглушку и избавиться от нее, необходимо взглянуть на глушитель и увидеть в самом начале двойное разветвление, один из каналов которого уходит в тупик. Данное разветвление создает излишнюю циркуляцию газов, поэтому его необходимо удалить.
Фотоотчет: Разборка двигателя 157QMJ скутера Atlant (150CC) | Scooter-mania.ru
Двигатель 157 QMJ объемом 150 CC который мы сегодня будем разбирать устанавливается на очень популярные у нас в России скутеры имеющие разные торговые названия: Atlant, Racer, Pioneer, перечислять все модели скутеров на которые устанавливается этот двигатель нет особого смысла.
Что можно сказать об этом двигателе? В общем-то двигатель неплох, есть небольшой потенциал для тюнинга, имеет очень надежный механизм кикстартера, на этом двигателе установлен мощный генератор который позволяет устанавливать дополнительные электроприборы, ну и. т. д.
К сожалению все этапы разборки двигателя в одной статье разместить не получится, поэтому по аналогии с предыдущими статьями о разборке двигателей, в статье будут проставлены ссылки которые вас приведут на страницу, где разборка отдельно взятого механизма или узла будет описана более детально.
Сливаем масло, укладываем двигатель на какую нибудь чистую поверхность и начинаем разборку двигателя с снятия поршневой, как снять поршневую подробно написано в статье: Как снять поршневую с двигателя скутера
Откручиваем все крепежные болты на крышке двигателя и обстукиваем ее деревянной киянкой со всех сторон.

Снимаем крышку, не теряя при этом направляющие втулки-их там две (отмечены стрелками).



Вынимаем промежуточную шестерню стартера


При помощи старой ненужной отвертки и молотка отворачиваем гайку обгонной муфты (резьба левая).

Снимаем гайку и шайбу


Снимаем с вала шестерню обгонной муфты


Вынимаем сепаратор


Откручиваем два болта на кожухе масляного насоса


Снимаем обгонную муфту с цапфы


Обратите внимание как сильно растянута цепь привода масляного насоса-придется заменить

Вынимаем шпонку из цапфы


Вставляем под зуб звездочки масляного насоса оловянный пруток или палочку и откручиваем гайку.

Снимаем звездочку с оси привода масляного насоса вместе с цепью


Вынимаем ось масляного насоса и убираем ее куда нибудь подальше


Откручиваем последний крепежный болт

Обстукиваем половинки картера со всех сторон и разъединяем их, не теряем при этом направляющие втулки (показаны стрелками).

Вставляем немного заточенный пруток в центр цапфы коленчатого вала и молотком сбиваем цапфу с шестерни кикстартера (для этого достаточно одного не сильного удара).

Вынимаем из половинки коленчатый вал и цепь ГРМ


Мощная рама — один из вариантов стайлинга скутера
Для того чтобы изменить стайлинг скутера можно попробовать сделать мощную раму. Для этого понадобится демонтировать проводку и облицовку, а между бардачком и рулевой колонкой приварить металлические распорки. Сделать их можно из обычных водопроводных труб. Кроме того, можно удалить лишние, по вашему мнению, детали из пластика и поменять их более подходящие по стилю, способные придать умопомрачительный вид скутеру. Некоторым умельцам удается сделать из хвостовой части скутера цельную конструкцию. Такой тюнинг позволяет скутеру выглядеть как настоящий спортивный мотоцикл.
Как и в вопросе с автомобильным тюнингом можно прибегнуть к помощи замены дисков. Однако такая работа своими руками может вылиться в увеличение проблем в управлении, так как провести балансировку новых дисков очень проблематично. Отличным альтернативным вариантом в подобном случае считается изменение цвета старых дисков. Выглядит такой тюнинг не менее оригинально и эффектно. Да и технология работы не имеет существенных отличий от технологии покраски пластика рамы.
Замена масла в редукторе
В самом низу двигателя с левой по ходу движения стороны — ищем сливную и заливную пробку редуктора. Заливная пробка находиться сбоку или сверху, а сливная находится всегда внизу.

Подставляем под сливную пробку емкость, отворачиваем обе пробки.

Ждем минут десять пока с редуктора стечет старое масло.
Вытираем насухо сливное отверстие и пробку, наносим на пробку герметик и заворачиваем ее на свое место.
Берем масло. Я беру литровую канистру так выгодней и хватает примерно на 10 замен. Если вы меняете масло нечасто — купите специальный тюбик фирменного масла для скутерных редукторов. Его там для одной замены более чем достаточно и без лишней головной боли закачайте его с помощью специального носика в заливное отверстие.
Типа такого
Для тех кто предпочитает экономить — остается одно: закачивать масло в редуктор маленькими порциями при помощи обычного шприца. По другому к сожалению масло в редуктор не зальешь так как заливное отверстие слишком маленькое.

Контроль уровня масла в редукторе
Закачиваем в заливное отверстие оно же контрольное — масло ровно до тех пор пока оно не начнет из него вытекать. Как только масло начнет течь — прекращаем заливать, ждемс пару минут пока стекут излишки и заворачиваем пробку.
На некоторых моделях скутеров контрольного отверстия через которое мы сможем определить необходимый уровень масла отсутствует и вместо него есть заливное расположенное сверху редуктора и сливное. В этом случае на картере двигателя должен быть обозначен рекомендованный уровень масла. Что упрощает работу: отмеряете необходимое количество масла и заливаете его через заливное отверстие в редуктор.

Устройство двигателя 157QMJ – 150 см³
В данном руководстве рассматриваются двигатели типа 1Р57QMJ, устанавливаемые на скутера с рабочим объемом от 125 до 180 куб. см. (152QMI, 162QMK), однако подобное устройство имеют и двигатели типа 139QMA/B, с минимальными разницами в конструкциях трансмиссии, КШМ и ЦПГ.
Также подобное устройство имеют двигатели 158QMJ и 153QMJ.
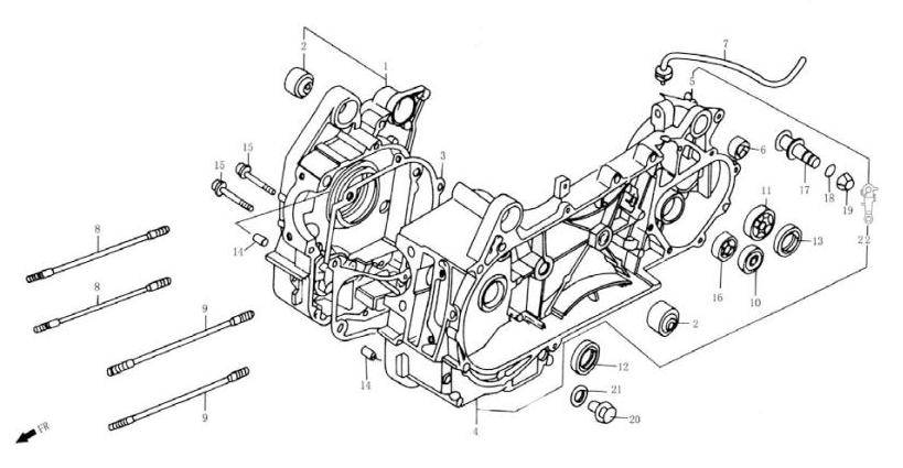
Двигатель 157QMJ

- Половина картера правая в сборе
- Сайлентблок передний
- Прокладка картера
- Половина картера левая в сборе
- Втулка
- Сайлентблок задний
- Трубка
- Шпилька 8×187.5
- Шпилька 8×195.5
- Подшипник 6201
- Подшипник 6004
- Манжета 19.8x30x5
Манжета 27x42x7 Штифт 8×14 Болт М6х50 Подшипник 6002 Вал тормоза Кольцо 7.5×1.5 Гайка М8 Болт сливного отверстия Шайба М12 Рычаг тормоза
Двигатель 157QMJ – Ведущий шкив и кикстартер

- Пластина ограничительная
- Полушкив левый
- Втулка наружная
- Полушкив правый
- Ролик
- Болт М6х14
- Пластина
- Кронштейн
- Шестерня приводная стартера
- Пружина
- Шестерня кикстартера
- Вал шестерни кикстартера
- Пружина вала
- Вал кик-стартера
- Втулка 12x16x12
- Втулка 14x18x16
- Пружина кикстартера
- Штифт 4.5
- Ролик 3×8.5
- Шайба 12 мм
- Шайба 14 мм
- Шайба 12.5 мм
- Втулка внутренняя
- Шайба 28 мм
- Гайка М12
- Шкив ведущий в сборе
- Кикстартер в сборе
- Шестерня кикстартера в сборе
Левая крышка двигателя 157QMJ

- Левая крышка двигателя
- Пластина
- Штифт 08×14
- Зажим троса газа
- Зажим троса заднего тормоза
- Зажим трубки
- Прокладка крышки
- Винт 4×8
- Болт М6х40
- Болт М6х65
- Болт М6х70
Электростартер двигателя 157QMJ

- Шестерня электростартера
- Вал шестерни электростартера
- Шестерня муфты
- Корпус муфты
- Фланец муфты
- Пружина
- Колпачек
- Стартер
- Жгут электростартера
- Болт М5х8
- Болт М6х16
- Болт М6х12
- Гайка М22
- Шайба 018x31x1
- Штифт 05×6
- Шпонка 15x14x4
- Ролик 10×10
- Подшипник игольчатый 28x32x17
- Кольцо 24.4×3.1
- Муфта
Крышка картера правая двигателя 157QMJ

- Крышка правая
- Прокладка крышки правой
- Крышка масляного фильтра
- Фильтр масляный
- Пружина фильтра
- Масляный щуп
- Зажим
- Манжета 19.8x30x5
- Кольцо фильтра 030.8
- Кольцо щупа 018×3
- Штифт 08×14
- Болт М6х32
- Болт М6х95
- Болт М6×100
- Болт М6х110
- Болт М6х35
Двигатель 157QMJ – головка цилиндра

- Головка цилиндра в сборе
- Блок коромысла
- Направляющая клапана впускного
- Направляющая клапана выпускного
- Прокладка головки цилиндра
- Прокладка
- Шайба прижимная
- Трубка
- Фиксатор
- Шайба
- Кольцо
- Кольцо 9.5×1.5
- Шпилька М6х18
- Шпилька М6х50
- Гайка Мб
- Гайка М8
- Штифт 010×16
- Болт М6×100
- Свеча зажигания
Генератор двигателя 157QMJ

- Крыльчатка
- Генератор в сборе
- Ротор
- Статор
- Шайба 012
- Болт М5х12
- Гайка М12
- Болт М6х16
- Болт М6х22
- Каталог деталей двигателя 157QMJ GY6
- Двигатель 152QMI
- Двигатель 158QMJ
- Ремонт скутеров 125-150cc фирмы VIPER и других марок
- Двигатель 139QMА/139QMB
среднее 5.00 (99% score) – 1 проголосовало
Что представляет собой карбюратор китайского скутера и его возможности, недостатки, тюнинг
Схема карбюратора китайского скутера в принципе стандартна и подходит как для 2т, так и для 4 т мотора. Устройство карбюратора позволяет проводить определенные действия по улучшению его работоспособности, однако если мотор двухтактный, старания не будут иметь смысла.

Самым простым подходом является замена карбюратора на более совершенный, например, с ускорительным мотором, если у вас стоит довольно старая версия без него. Чаще всего несложный тюнинг ограничивается заменой главного топливного жиклера, особенно это актуально для двигателей, мощность которых небольшая. Замена жиклера помогает увеличить топливный канал и немного за счет этого прибавить мотору мощности.
Достаточно часто более серьезный тюнинг подразумевает использование 150 сс карбюратора скутера. Интересны модели с диаметром диффузора 17,5 мм. Он отлично подходит для поршневых 70сс. Реже попадается большой диаметр 19-24 мм, он как раз идеален для поршневой 150 сс расточенного двигателя. Однако подбор диаметра нужно проводить правильно,в противном случае мотор начнет захлебываться.
Двигатель QMJ 157 – характеристики и общее описание
Как и большинство выпускаемой китайскими производителями техники, четырехтактный мотор QMJ 157 воспроизведен с японского аналога. В качестве прототипа был взят силовой агрегат, установленный на скутер Honda. Мотор прошел длительные испытания в различных условиях эксплуатации, зарекомендовав себя надежным, безотказным и долговечным.
Различные двухтактные и четырехтактные двигатели используют для комплектации китайских скутеров
Китайским инженерам осталось только взять на вооружение проверенную конструкцию и начать серийное производство. Насколько удачным получился мотор, можно судить по области его применения. Сто пятьдесят седьмую модель двигателя, мощности которого хватает для разгона полноразмерного двухместного скутера, сегодня устанавливают как на дорогие модели скутеров – Honling, Forsage, так и на бюджетные скутеры типа Viper Storm 150. Данная силовая установка стала легендарной среди любителей китайских скутеров.
Ограниченный скоростной порог скутера, связанный с относительно небольшой кубатурой мотора и развиваемой мощностью, заставляет любителей тюнинга заниматься модернизацией двигателя.
По сравнению с 50-кубовыми четырехтактниками у него достаточно неплохая кубатура и мощность. Цилиндр имеет объем 149,6 см3, а предельная мощность достигает 6,8 кВт. Поршень диаметром 57,4 мм имеет ход 57,8 мм. При максимальной мощности обороты достигают 7,5 тысяч за минуту. При 6 тысячах оборотов в минуту предельная величина крутящего момента составляет 9,8 Нм. Обороты на холостом ходу колеблются от 1600 до 1700 за минуту. Весит двигатель немного – 27 кг.
До начала эксплуатации следует обкатать мотор, проехал на скутере 2000 км с соблюдением скоростного режима. При условии правильной обкатки ресурс эксплуатации двигателя достигает 25000 км. Мотор быстро и динамично разгоняет скутер с водителем и пассажиром. Обкатанный двигатель не требует вмешательства и может длительное время работать без капитального ремонта. Затем необходимо будет выполнить замену колец, что не требует серьезных денежных вложений.
Среди любителей китайских скутеров стала легендарной данная силовая установка
Тюнинг скутеров – тюнинг сцепления
| Центробежное сцепление, установленное на валу ведомого шкива вариатора, дает скутеру возможность самостоятельно трогаться с места при увеличении обротов двигателя. Зачастую при тюнинге скутер получает принципиально новый характер работы мотора и, чтобы полностью релизовать его возможности, сцепление должно срабатывать на более высоких оборотах. Иногда добиться этого получается с помощью замены лишь пружинок сцепления, но иногда (как правило, начиная с тюнинга Midrace и выше) приходится менять все сцепление целиком. Тюнинговые сцепления имеют колодки, выполненные из более совершенного материала, а также, зачастую, предлагают больше возможностей для настройки – все зависит от класса выбранного изделия. При тюнинге Midrace и выше нагрузки на узел сцепления иногда настолько высоки, что во избежание перегрева разумно заменить сцепление в комплекте с колоколом, который также предлагается различными производителями тюнинга. |
Двигатель QMJ 157 – характеристики и общее описание
Как и большинство выпускаемой китайскими производителями техники, четырехтактный мотор QMJ 157 воспроизведен с японского аналога. В качестве прототипа был взят силовой агрегат, установленный на скутер Honda. Мотор прошел длительные испытания в различных условиях эксплуатации, зарекомендовав себя надежным, безотказным и долговечным.

Китайским инженерам осталось только взять на вооружение проверенную конструкцию и начать серийное производство. Насколько удачным получился мотор, можно судить по области его применения. Сто пятьдесят седьмую модель двигателя, мощности которого хватает для разгона полноразмерного двухместного скутера, сегодня устанавливают как на дорогие модели скутеров – Honling, Forsage, так и на бюджетные скутеры типа Viper Storm 150. Данная силовая установка стала легендарной среди любителей китайских скутеров.
Ограниченный скоростной порог скутера, связанный с относительно небольшой кубатурой мотора и развиваемой мощностью, заставляет любителей тюнинга заниматься модернизацией двигателя.
По сравнению с 50-кубовыми четырехтактниками у него достаточно неплохая кубатура и мощность. Цилиндр имеет объем 149,6 см3, а предельная мощность достигает 6,8 кВт. Поршень диаметром 57,4 мм имеет ход 57,8 мм. При максимальной мощности обороты достигают 7,5 тысяч за минуту. При 6 тысячах оборотов в минуту предельная величина крутящего момента составляет 9,8 Нм. Обороты на холостом ходу колеблются от 1600 до 1700 за минуту. Весит двигатель немного – 27 кг.
До начала эксплуатации следует обкатать мотор, проехал на скутере 2000 км с соблюдением скоростного режима. При условии правильной обкатки ресурс эксплуатации двигателя достигает 25000 км. Мотор быстро и динамично разгоняет скутер с водителем и пассажиром. Обкатанный двигатель не требует вмешательства и может длительное время работать без капитального ремонта. Затем необходимо будет выполнить замену колец, что не требует серьезных денежных вложений.





































